- Гидравлические шланги и фитинги
- Электрокондиционеры
- Воздушные отопители, жидкостные подогреватели, запчасти
-
Компрессоры, ДВС, компоненты
-
Электрические компрессоры
-
Компрессоры 5H09
-
Компрессоры 5H11
-
Компрессоры 5H14
-
Компрессоры 7H15
-
Компрессоры стандарт Valeo
-
Компрессоры стандарт DENSO
-
Компрессоры стандарт Delphi/ Прочие
-
Компрессоры повышенной мощности
-
Сцепления
-
Прижимные пластины, регулировочные шайбы
-
Шкивы, ролики, подшипники
-
Муфты компрессоров
-
Прокладки, уплотнения, опоры
-
Конструктивные детали компрессоров
-
Крышки, коллекторы, клапаны
-
Конструктивные детали ДВС
-
- Конденсаторы
- Вентиляторы
- Испарители
- Генераторы, стартеры, компоненты
- Насосы и помпы
- Фильтрация и сепарация
- Шланги, вибросорберы, защита
- Фитинги и компонент
- Элементы управления
- Ремни
- Датчики, термостаты, реостаты
- Запорная и регулирующая арматура, автоматика, компоненты
- Кронштейны компрессора
- Дефлекторы
- Инструмент и принадлежности
- Хомуты
Будьте всегда в курсе!
Узнавайте о скидках и акциях первым
Наши специалисты с радостью ответят на любой интересующий Вас вопрос.
--
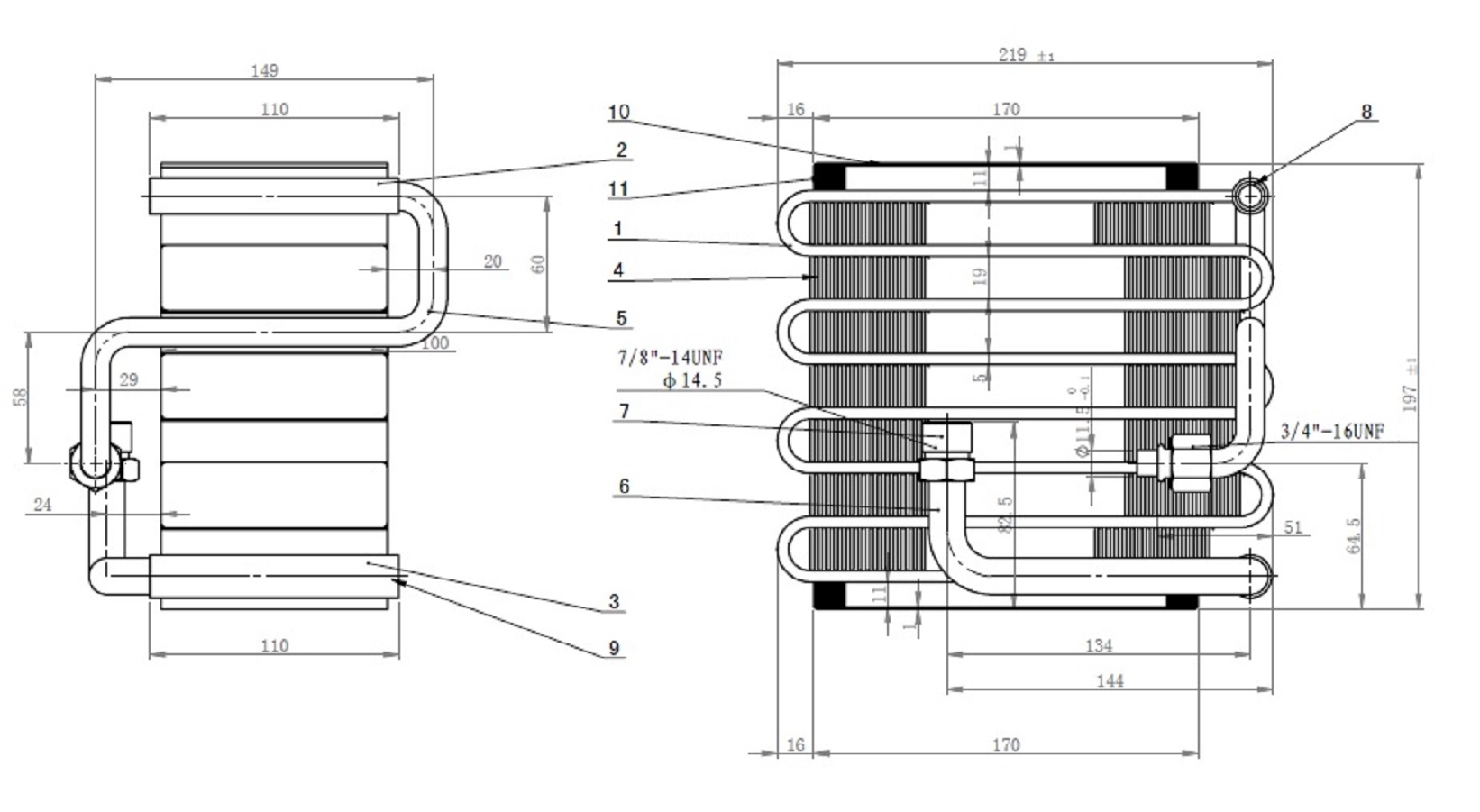
Испарители
--Испаритель встраиваемый 8EГидравлические шланги и фитингиЭлектрокондиционерыВоздушные отопители, жидкостные подогреватели, запчастиКомпрессоры, ДВС, компонентыКонденсаторыВентиляторыИспарителиГенераторы, стартеры, компонентыНасосы и помпыФильтрация и сепарацияШланги, вибросорберы, защитаФитинги и компонентЭлементы управленияРемниДатчики, термостаты, реостатыЗапорная и регулирующая арматура, автоматика, компонентыКронштейны компрессораДефлекторыИнструмент и принадлежностиХомуты
Испаритель встраиваемый 8E
Артикул:
10-2644
Испаритель встраиваемый 8E
Подробнее
8 650 руб./шт
- Описание
-
Описание
- Персональные рекомендации













































































